Bij sommige mensen staan de planten er altijd fris bij, maar bij anderen wil het maar niet lukken. Te warm of te koud, te veel of juist te weinig licht … Je hebt er nu eenmaal kieskeurige soorten bij. Het allerbelangrijkste is het geven van de juiste hoeveelheid water. Daarbij kan een automatisch geheugensteuntje het verschil maken tussen fris groen en uitvallende bladeren. Daarom een uitdagend project voor alle knutselaars die geen zin hebben in een kale kamerplant! Download de code hier.
Bouwen van de schakeling
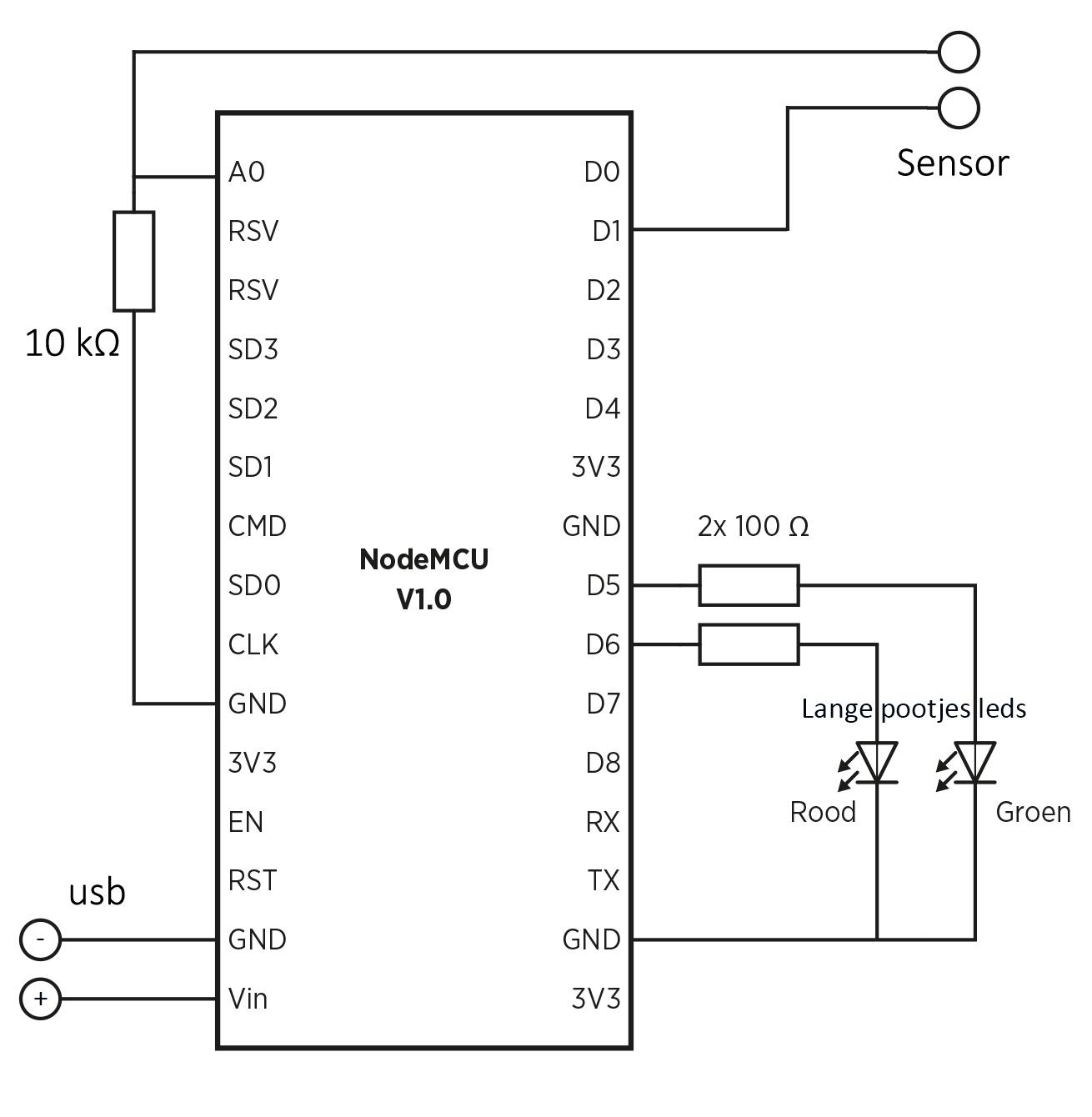
Sluit de anode (het lange pootje) van de groene led via een weerstand van 100 ohm aan op D5 en de anode van de rode led via een weerstand van 100 ohm op D6. Verbind de kathodes (korte pootjes) van beide leds met GND. Sluit een weerstand van 10 kilo-ohm aan tussen A0 en GND, de sensor komt tussen A0 en D1. Van de netvoeding van 5 volt verbind je de plus met VIN en de min op GND.
Hieronder het ververeenvoudigde schema:







